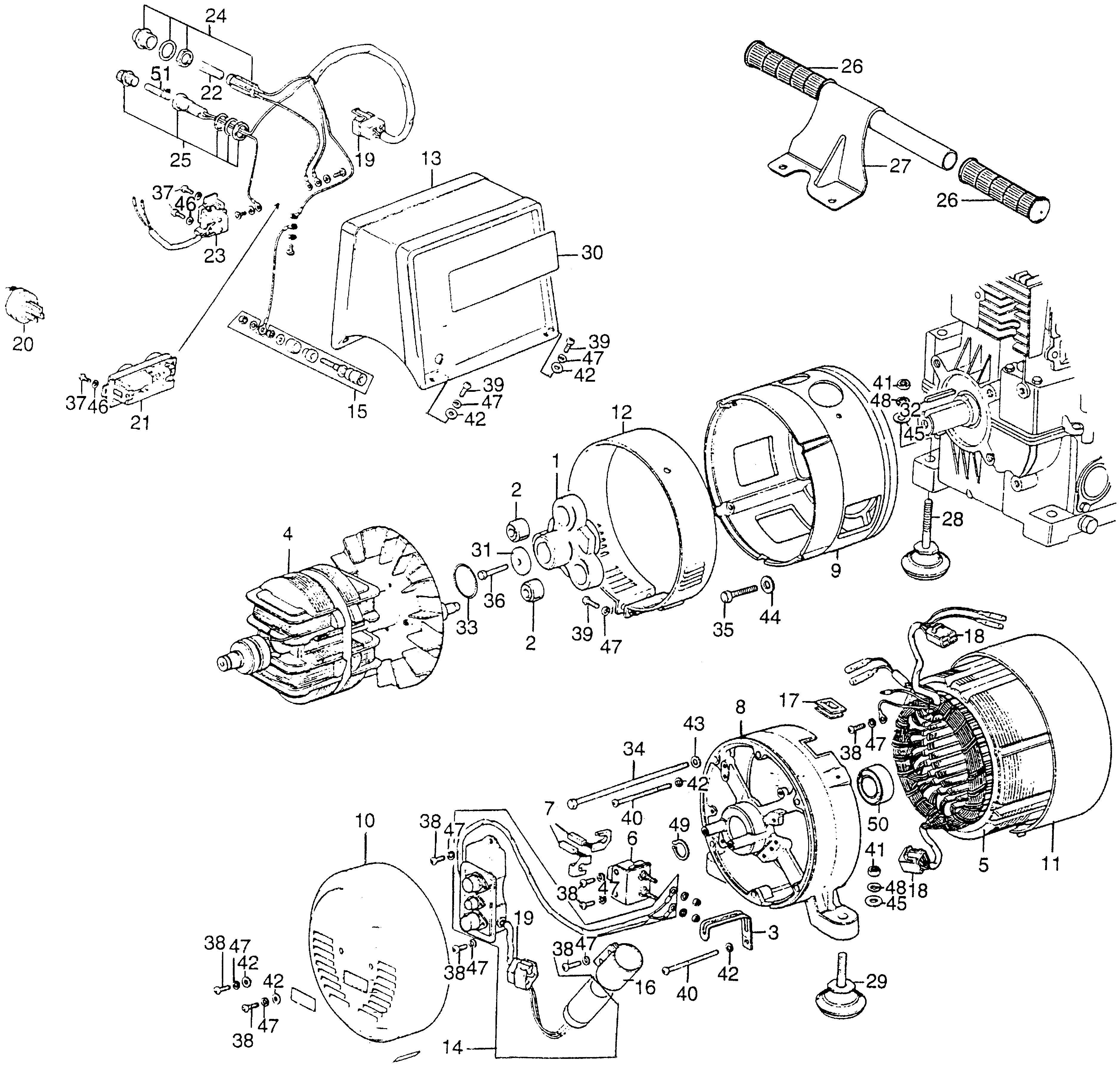
Generators EG EG1500 EG1500K3 A G42-200000-2193508 EG1500 CONTROL BOX@GENERATOR - Acme Tools

Ref No
Part Number
Description
Serial Range
Qty
Price

Ref No
1
Part Number
13341-871-158
Description
FLANGE, COUPLING
Serial Range
1000001 - 9999999

Ref No
2
Part Number
13345-842-010
Description
RUBBER, COUPLING
Serial Range
1000001 - 9999999

Ref No
3
Part Number
30564-871-000
Description
CLAMP A, WIRE
Serial Range
1000001 - 9999999

Ref No
4
Part Number
31104-871-158
Description
ROTOR
Serial Range
1000001 - 9999999

Ref No
5
Part Number
31105-871-671
Description
STATOR ASSY.
Serial Range
1000001 - 9999999

Ref No
6
Part Number
31106-868-158
Description
HOLDER, BRUSH
Serial Range
1000001 - 9999999
Qty
Price
$58.72

Ref No
7
Part Number
31107-868-158
Description
BRUSH
Serial Range
1000001 - 9999999
Qty
Price
$21.34

Ref No
8
Part Number
31108-871-158H
Description
HOUSING, RR. *R8* (BRIGHT RED)
Serial Range
1000001 - 9999999

Ref No
9
Part Number
31109-871-158H
Description
HOUSING, FR. *R8* (BRIGHT RED)
Serial Range
1000001 - 9999999

Ref No
10
Part Number
31113-871-158H
Description
COVER, GENERATOR END *R8* (BRIGHT RED)
Serial Range
1000001 - 9999999

Ref No
11
Part Number
31127-871-158H
Description
COVER, STATOR *R8* (BRIGHT RED)
Serial Range
1000001 - 9999999

Ref No
12
Part Number
31181-871-158H
Description
COVER, FAN *R8* (BRIGHT RED)
Serial Range
1000001 - 9999999

Ref No
13
Part Number
31402-871-671H
Description
BOX, CONTROL *R8* (BRIGHT RED)
Serial Range
1000001 - 9999999

Ref No
14
Part Number
31410-871-315
Description
REGULATOR ASSY., AUTOMATIC VOLTAGE (NOT AVAILABLE)
Serial Range
1000001 - 9999999

Ref No
15
Part Number
31428-880-000
Description
TERMINAL ASSY., GROUND (NOT AVAILABLE)
Serial Range
1000001 - 9999999

Ref No
16
Part Number
31430-842-158
Description
HOLDER B
Serial Range
1000001 - 9999999

Ref No
17
Part Number
31472-871-158
Description
GROMMET
Serial Range
1000001 - 9999999

Ref No
18
Part Number
32111-086-010
Description
CONNECTOR, FEMALE (4 POLE) (NOT AVAILABLE)
Serial Range
1000001 - 9999999

Ref No
19
Part Number
32114-086-010
Description
CONNECTOR, MALE (4 POLE)
Serial Range
1000001 - 9999999
Qty
Price
$4.88

Ref No
20
Part Number
32310-812-640
Description
PLUG ASSY., RECEPTACLE
Serial Range
1000001 - 9999999
Qty
Price
$6.70

Ref No
21
Part Number
32333-880-680
Description
RECEPTACLE (15A/125V)
Serial Range
1000001 - 9999999
Qty
Price
$80.04

Ref No
22
Part Number
34909-880-000
Description
BULB, DASH (24V-2W)
Serial Range
1000001 - 9999999

Ref No
23
Part Number
37500-871-153
Description
METER, FREQUENCY (NOT AVAILABLE)
Serial Range
1000001 - 9999999

Ref No
24
Part Number
37561-868-158
Description
SOCKET ASSY., PILOT LAMP (NOT AVAILABLE)
Serial Range
1000001 - 9999999

Ref No
25
Part Number
38211-868-158
Description
HOLDER ASSY., FUSE (NOT AVAILABLE)
Serial Range
1000001 - 9999999

Ref No
26
Part Number
95011-12200
Description
GRIP B, L. HANDLEBAR
Serial Range
1000001 - 9999999

Ref No
27
Part Number
68110-865-741
Description
HANDLE, CARRYING
Serial Range
1000001 - 9999999

Ref No
28
Part Number
68310-871-000
Description
RUBBER (LOWER) (NOT AVAILABLE)
Serial Range
1000001 - 9999999

Ref No
29
Part Number
68311-871-000
Description
RUBBER (LOWER) (NOT AVAILABLE)
Serial Range
1000001 - 9999999

Ref No
30
Part Number
87551-871-670
Description
PLATE, CAUTION (NOT AVAILABLE)
Serial Range
1000001 - 9999999

Ref No
31
Part Number
90473-842-000
Description
WASHER (8MM)
Serial Range
1000001 - 9999999
Qty
Price
$1.88

Ref No
32
Part Number
90741-889-810
Description
KEY (7X7X33) (OVER SIZE) (YELLOW)
Serial Range
1000001 - 9999999
Qty
Price
$9.32

Ref No
33
Part Number
91301-428-003
Description
O-RING (35.5X3) (NOK)
Serial Range
1000001 - 9999999
Qty
Price
$2.70

Ref No
34
Part Number
92000-06142-0H
Description
BOLT, HEX. (6X142) (NOT AVAILABLE)
Serial Range
1000001 - 9999999

Ref No
35
Part Number
92101-08025-0A
Description
BOLT, HEX. (8X25)
Serial Range
1000001 - 9999999
Qty
Price
$2.12

Ref No
36
Part Number
92101-08032-0B
Description
BOLT, HEX. (8X32)
Serial Range
1000001 - 9999999
Qty
Price
$2.92

Ref No
37
Part Number
93500-04010-0H
Description
SCREW, PAN (4X10)
Serial Range
1000001 - 9999999
Qty
Price
$1.10

Ref No
38
Part Number
93500-05010-0H
Description
SCREW, PAN (5X10)
Serial Range
1000001 - 9999999
Qty
Price
$1.10

Ref No
39
Part Number
93500-05016-0H
Description
SCREW, PAN (5X16)
Serial Range
1000001 - 9999999
Qty
Price
$1.00

Ref No
40
Part Number
93500-05055-0H
Description
SCREW, PAN (5X55) (NOT AVAILABLE)
Serial Range
1000001 - 9999999

Ref No
41
Part Number
94001-10000-0S
Description
NUT, HEX. (10MM)
Serial Range
1000001 - 9999999
Qty
Price
$1.76

Ref No
42
Part Number
94101-05800
Description
WASHER, PLAIN (5MM)
Serial Range
1000001 - 9999999
Qty
Price
$1.20

Ref No
43
Part Number
94101-06800
Description
WASHER, PLAIN (6MM)
Serial Range
1000001 - 9999999
Qty
Price
$0.80

Ref No
44
Part Number
94102-08000
Description
WASHER, PLAIN (8MM)
Serial Range
1000001 - 9999999
Qty
Price
$1.14

Ref No
45
Part Number
94102-10000
Description
WASHER, PLAIN (10MM)
Serial Range
1000001 - 9999999
Qty
Price
$0.92

Ref No
46
Part Number
94111-04800
Description
WASHER, SPRING (4MM)
Serial Range
1000001 - 9999999
Qty
Price
$1.20

Ref No
47
Part Number
94111-05800
Description
WASHER, SPRING (5MM)
Serial Range
1000001 - 9999999
Qty
Price
$1.38

Ref No
48
Part Number
94111-10000
Description
WASHER, SPRING (10MM)
Serial Range
1000001 - 9999999
Qty
Price
$1.64

Ref No
49
Part Number
94510-17000
Description
CIRCLIP (OUTER) (17MM)
Serial Range
1000001 - 9999999
Qty
Price
$1.48

Ref No
50
Part Number
96150-62030-10
Description
BEARING, RADIAL BALL (6203UU)
Serial Range
1000001 - 9999999
Qty
Price
$21.28

Ref No
51
Part Number
98200-11500
Description
FUSE (15A)
Serial Range
1000001 - 9999999