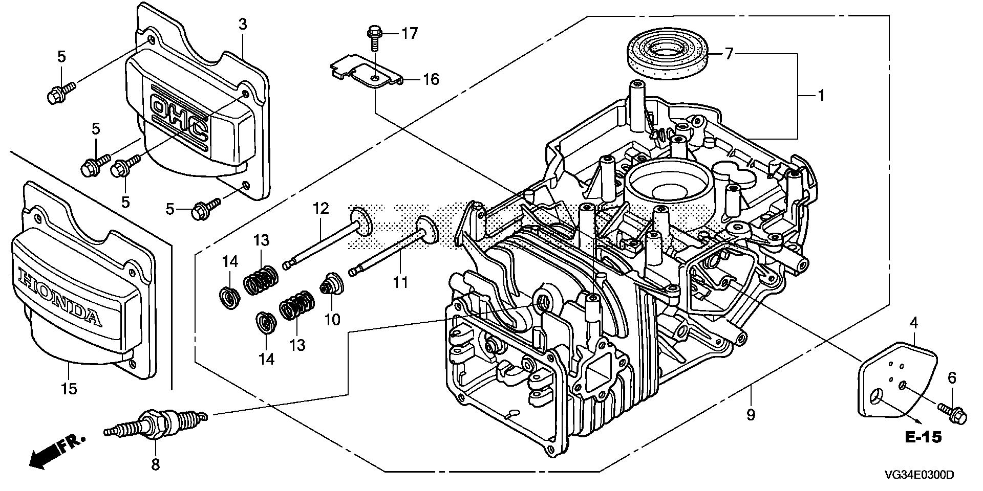
Lawn Mowers HRS HRS216 HRS216K6 VKAA MZBZ-1000001-9999999 CYLINDER BARREL - Acme Tools

Ref No
Part Number
Description
Serial Range
Qty
Price

Ref No
1
Part Number
12000-Z8B-901
Description
CYLINDER ASSY.
Serial Range
7870955 - 9999999
Qty
Price
$63.44

Ref No
4
Part Number
12355-ZL8-000
Description
COVER, BREATHER (BREATHER VALVE ASSY.)
Serial Range
1677022 - 9999999
Qty
Price
$8.90

Ref No
5
Part Number
90013-883-000
Description
BOLT, FLANGE (6X12) (CT200)
Serial Range
1000001 - 9999999

Ref No
6
Part Number
90014-952-000
Description
BOLT, FLANGE (6X14) (CT200)
Serial Range
1000001 - 9999999
Qty
Price
$2.86

Ref No
6
Part Number
90014-952-000
Description
BOLT, FLANGE (6X14) (CT200)
Serial Range
1000001 - 9999999
Qty
Price
$2.86

Ref No
7
Part Number
91201-ZL8-003
Description
OIL SEAL (25.4X62X6)
Serial Range
1000001 - 9999999
Qty
Price
$7.86

Ref No
8
Part Number
98079-55846
Description
SPARK PLUG (BPR5ES) (NGK)
Serial Range
6170538 - 9999999
Qty
Price
$2.98

Ref No
10
Part Number
12209-Z8B-003
Description
SEAL, VALVE STEM
Serial Range
1649075 - 9999999

Ref No
11
Part Number
14711-ZL8-000
Description
VALVE, IN. (TECHNOSTAR)
Serial Range
1000001 - 9999999
Qty
Price
$65.20

Ref No
12
Part Number
14721-Z8B-000
Description
VALVE, EX. (C8E)
Serial Range
1619323 - 9999999
Qty
Price
$60.70

Ref No
12
Part Number
14721-ZL8-000
Description
VALVE, EX. (L8E)
Serial Range
1000001 - 9999999
Qty
Price
$60.70

Ref No
13
Part Number
14751-ZL8-000
Description
SPRING, VALVE
Serial Range
1000001 - 9999999
Qty
Price
$0.50

Ref No
14
Part Number
14771-Z0J-000
Description
RETAINER, VALVE SPRING
Serial Range
1000001 - 9999999
Qty
Price
$10.20

Ref No
15
Part Number
12311-Z8B-000
Description
COVER, HEAD
Serial Range
1677022 - 9999999

Ref No
16
Part Number
16384-Z8B-000
Description
BRACKET, REGULATOR
Serial Range
1000001 - 9999999
Qty
Price
$0.76

Ref No
17
Part Number
90014-952-000
Description
BOLT, FLANGE (6X14) (CT200)
Serial Range
1000001 - 9999999
Qty
Price
$2.86

Ref No
17
Part Number
90014-952-000
Description
BOLT, FLANGE (6X14) (CT200)
Serial Range
1000001 - 9999999
Qty
Price
$2.86